
Series L-HH-02-001
Fluid Slip Ring
The L-HH-02-001 fluid rotary union allows simultaneous transmission of fluids such as water, oil, air, and gas between rotating and stationary interfaces.
It’s built with precision sealing structures to ensure long service life and stable performance under high pressure.
Slip Ring
Enjoy the best design & function combined together
They are ideal for use in test rigs, automation systems, and production equipment requiring stable and reliable transmission of electrical signals during continuous rotation.

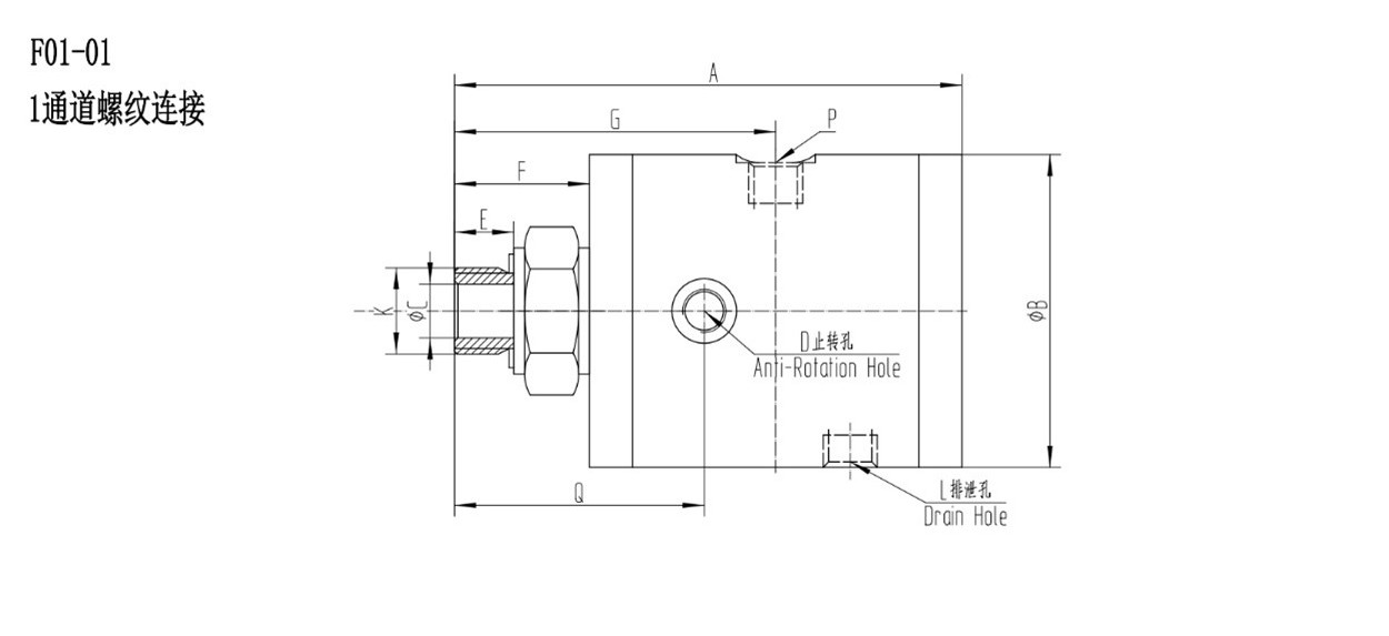
Drawing

| DN | P/N | K | P | A | B | C | Q | D | E | F | G | L |
|---|---|---|---|---|---|---|---|---|---|---|---|---|
| 8A | G1/4′′-RH | G1/4′′ | 78 | 58 | 6 | 49 | M8 | 11 | 25 | 49 | / | |
| 10A | G3/8′′-RH | G3/8′′ | 89 | 58 | 8 | 57 | M8 | 16 | 29 | 57 | / | |
| 15A | G1/2′′-RH | G1/2′′ | 117 | 78 | 13 | 60 | 2-M8 | 18 | 35 | 75 | Rc1/8′′ | |
| 20A | G3/4′′-RH | G3/4′′ | 129 | 83 | 16 | 69 | 2-M8 | 20 | 40 | 84 | Rc1/8′′ | |
| 25A | G1′′-RH | G1′′ | 146 | 90 | 22 | 79 | 2-M12 | 25 | 45 | 97 | Rc1/8′′ | |
| 32A | G1-1/4′′-RH | G1-1/4′′ | 164 | 108 | 30 | 86 | 2-M12 | 25 | 52 | 107 | Rc1/8′′ | |
| 40A | G1-1/2′′-RH | G1-1/2′′ | 191 | 125 | 35 | 95 | 2-M12 | 25 | 57 | 122 | Rc1/8′′ |
Technical Specifications
| Parameter | Value |
|---|---|
| Number of Circuits | 2–20 (customizable) |
| Rated Pressure | 0–35 MPa |
| Medium | Water, coolant, oil, grease, air, special gases |
| Service Life | ≤ 20 million revolutions |
| Rated Speed | ≤ 200 rpm |
| Operating Temperature | −45 °C ~ +80 °C |
| Operating Humidity | 0 – 97 % RH |
| Protection Grade | IP51 (customizable) |
| Sealing Type | Mechanical / Clearance / Hybrid (customizable) |
| Housing Material | Aluminum / Stainless steel |
| Interface Type | Internal thread / Flange |